

座機:0771-5791162
郵箱:2604045678@qq.com
微信號:13667715899
生產基地:廣西南寧市高新區科創路10號2#車間1樓1-1
浙江銷售中心:浙江紹興l中國紡織五金機電城
江蘇銷售中心:江蘇省泰興市黃橋鎮(13809016333 汪路)



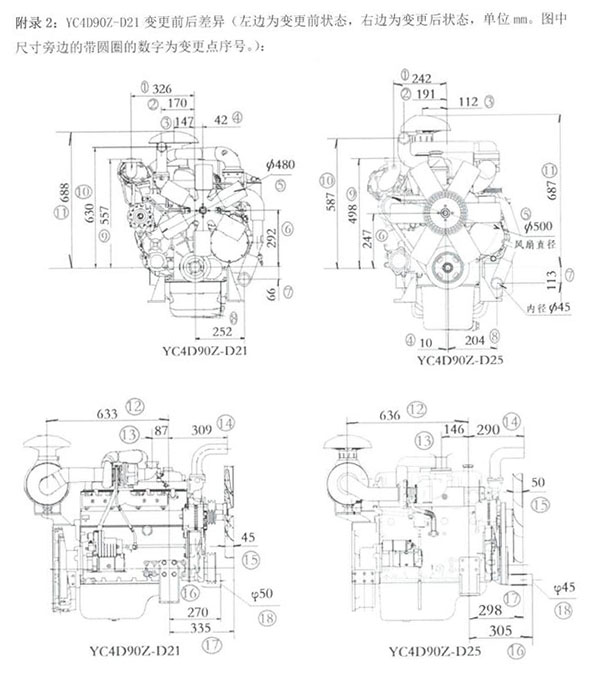
序號 | 變更點 | 更改前YC4D60-D21 | 更改后YC4D60-D25 |
1 | 排氣管出口水平距離 | 278 | 206 |
2 | 回水管出口水平距離 | 170 | 183 |
3 | 空濾朝氣口水平距離 | 66 | 170 |
4 | 空濾遮雨帽頂高 | 688 | 644 |
5 | 進水口高度 | 66 | 153 |
6 | 進水口直徑 | 50 | 45 |
7 | 風扇中心水平距離 | 42 | 13.5 |
8 | 進水口水平距離 | 210 | 205 |
9 | 風扇中心高 | 472 | 220 |
10 | 排氣管口高 | 464 | 457 |
11 | 回水口高 | 630 | 550 |
12 | 回水口軸向距離 | 309 | 257 |
13 | 空濾器軸向距離 | 633 | 200 |
14 | 排氣管口軸向距離 | 322 | 368 |
15 | 風扇軸向距離 | 338 | 257 |
16 | 進水口軸向距離 | 273 | 262 |
17 | 風扇扇葉厚 | 45 | 50 |
18 | 消聲器 | D7200-1201100 | 1TD300-1201100 |


序號 | 變更點 | 更改前YC4D60-D21 | 更改后YC4D60-D25 |
1 | 增壓器渦輪后接管口水平距離 | 326 | 242 |
2 | 回水管出口水平距離 | 174 | 191 |
3 | 空濾進氣口水平距離 | 147 | 112 |
4 | 風扇直徑 | 480 | 500 |
5 | 進水口高 | 157 | 113 |
6 | 進水口直徑 | 50 | 45 |
7 | 進水口水平距離 | 230 | 204 |
8 | 風扇中心水平距離 | 0 | 10 |
9 | 風扇中心高 | 185 | 247 |
10 | 回水口中心高 | 509 | 587 |
11 | 增壓器渦輪后接管口高 | 589 | 498 |
12 | 空濾器遮雨帽頂中心高 | 800 | 687 |
13 | 空濾遮雨帽頂中心軸向距離 | 633 | 636 |
14 | 增壓器渦輪后接管口軸向距離 | 87 | 141 |
15 | 回水口軸向距離 | 376 | 290 |
16 | 風扇扇葉厚 | 45 | 50 |
17 | 進水口軸向距離 | 279 | 305 |
18 | 風扇軸向距離 | 315 | 298 |
19 | 消聲器 | 644-1201100A | 1TD300-1201100 |


序號 | 變更點 | 更改前YC4D60-D21 | 更改后YC4D60-D25 |
1 | 增壓器渦輪后接管口水平距離 | 326 | 242 |
2 | 回水管出口水平距離 | 174 | 191 |
3 | 中冷后空氣進氣口水平距離 | 197 | 178 |
4 | 空濾器遮雨帽頂中心高 | 800 | 760 |
5 | 壓縮空氣進口中心高 | 594 | 550 |
6 | 風扇直徑 | 480 | 550 |
7 | 進水口直徑 | 50 | 45 |
8 | 進水口水平距離 | 230 | 204 |
9 | 風扇水平偏移 | 0 | 10 |
10 | 壓縮空氣出口水平距離 | 265 | 壓氣管出口連接管及相應的膠管由水箱廠家帶,壓氣機出口直徑50 |
11 | 壓氣機連接管口直徑 | 70 | |
12 | 壓氣機連接管口高 | 148 | |
13 | 增壓器渦輪后接管口中心高 | 589 | 498 |
14 | 回水口中心高 | 620 | 587 |
15 | 回水口軸向距離 | 350 | 286 |
16 | 中冷后空氣進氣口軸向距離 | 299 | 89 |
17 | 增壓器渦輪后接管口軸向距離 | 85 | 166 |
18 | 空濾遮雨帽頂中心軸向距離 | 634 | 656 |
19 | 風扇軸向距離 | 316 | 283 |
20 | 中冷后空氣進氣口軸向距離 | 288 | 中冷后連接管由水箱廠家提供 |
21 | 進水口軸向距離 | 279 | 251 |
22 | 進水口中心高 | 157 | 113 |
23 | 風扇中心高 | 185 | 247 |
24 | 風扇扇葉厚 | 45 | 50 |
如需了解更多相關詳情歡迎關注下方微信二維碼↓↓↓

掃一掃 關注微信